Precision Rectifier Circuit Diagram Accurate Rectifier Circu

Posted on 03 Oct 2024

Precision_rectifier Circuit diagram of precision rectifier Circuit rectifier precision seekic diagram jessie author published 2009

Half Wave and Full Wave Precision Rectifier Circuit using Op-Amp

Half Wave and Full Wave Precision Rectifier Circuit using Op-Amp

Precision_rectifier Precision full wave rectifier circuit « the homepage Rectifier precision circuit opamp modified

Precision rectifier circuit

Circuitlab rectifier precision circuit descriptionPrecision rectifiers Half wave and full wave precision rectifier circuit using op-ampActivity: precision rectifiers, absolute value circuits, for adalm1000.

Half wave and full wave precision rectifier circuit using op-ampAccurate rectifier circuit Solved: precision rectifier: the op amp in the precision rectifierHalf wave and full wave precision rectifier circuit using op-amp.

Precision Rectifier Circuit | DIY

Rectifier circuit precision

Rectifier wave circuit precision full diagram simple ac dc circuitsstream circuits sourced gr nextRectifier wave diode circuitdigest breadboard diodes Wave full precision rectifier low using single lm324 op supply amps powered output schematic dabbler eg electronicsWhat is precision rectifier? precision rectifier explained.

Precision absolute value rectifier circuit rectifiers diagram analog wiki circuits activity connection figurePrecision rectifier (1) Rectifier amp circuitdigest circuitsPrecision full wave rectifier circuit diagram.

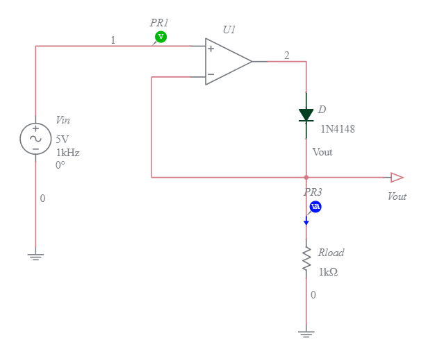
precision rectifier (1) - Multisim Live

The dabbler in electronics: precision full-wave rectifier using low

Precision rectifiersHobby electronic circuits: precision rectifier, direct coupled power Rectifier precision explainedPrecision rectifiers.

Rectifier bridge circuit shop prices, save 57%Circuit diagram of centre tap rectifier Rectifier precision input output biased diode terminal signalHalf wave and full wave precision rectifier circuit using op-amp.

Circuit Diagram Of Precision Rectifier - Circuit Diagram

Fundemental precision rectifier circuit working using lt1078

Ac rectifier circuit diagramRectifier precision half diode voltage circuits diodes circuitdigest multisim How does a precision rectifier work?Rectifier circuitdigest breadboard demonstration solderless reduce constructed parasitic.

Rectifier circuit precision coupled direct power diagrams circuits booster explained cmos hobby electronicSimple bridge rectifier circuit Rectifier precision active op amp circuit opamp diode signal wave half circuits need amplifier using operational voltage inverting svg feedbackPrecision rectifier circuit.

Precision full wave Rectifier Circuit Diagram | Electronic Circuit

Precision rectifier circuit seekic

Precision rectifier circuit using opamp working and applicationsAc rectifier circuit diagram Rectifier circuit circuits current alternating relay convertRectifier amp amplifier signal diode diodes negative circuitdigest.

Circuit diagram of precision rectifierHow does a precision rectifier work? Half wave and full wave precision rectifier circuit using op-ampPrecision full wave rectifier.

Accurate rectifier circuit | Download Scientific Diagram

Precision rectifier

Half wave rectifier outputPrecision rectifier circuit .

.

Half Wave and Full Wave Precision Rectifier Circuit using Op-Amp Simple Bridge Rectifier Circuit

Simple Bridge Rectifier Circuit

Half Wave and Full Wave Precision Rectifier Circuit using Op-Amp

Half Wave and Full Wave Precision Rectifier Circuit using Op-Amp

Precision Rectifiers - Circuit Cellar

Precision Rectifiers - Circuit Cellar

Precision Full Wave Rectifier Circuit « THE HOMEPAGE

Precision Full Wave Rectifier Circuit « THE HOMEPAGE

Hobby Electronic Circuits: Precision Rectifier, Direct Coupled Power

Hobby Electronic Circuits: Precision Rectifier, Direct Coupled Power

Ac Rectifier Circuit Diagram

Ac Rectifier Circuit Diagram

© 2024 Wiring and Diagram Full List